1. Overview of B2SH, B2HH, B2HM, B2DH, B2DM spiral bevel gear reducer
1) H.B series gear reducer adopt currency layout and may transform into special reducer according to customer's requirement.
2) The housing of one size can realize parallel shaft,right-angle shaft modes and horizontal,vcrtical mounting modes.Variety of components is reducible, the number of reducer's mode is augmentable.
3) Sound-absorbable structure, lager surface, big fan reduce temperature and noise, advanced grinding process of cylindrical gear and bevel gear improve stability and transmit power more efficeintly.
4) Input mode:motor connected flange ,shaft input.
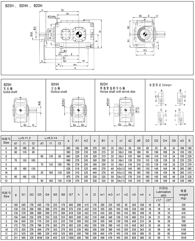
5) Output mode: solid shaft with flat key, hollow shaft with flat key, hollow shaft with shrink disk, hollow or solid shaft with involute splines, solid shaft with flange.
6) Mounting mode: Horizontal-mounted, vertical-mounted, swing base-mounted,torque-arm-mounted.
7) H.B series include sizes 3~26, number of stages is 1~4, ratio is 1.25~450, combining with R series and K series, ratio will be higher.
2. Series structure diagram
1. Overview of B2SH, B2HH, B2HM, B2DH, B2DM spiral bevel gear reducer
1) H.B series gear reducer adopt currency layout and may transform into special reducer according to customer's requirement.
2) The housing of one size can realize parallel shaft,right-angle shaft modes and horizontal,vcrtical mounting modes.Variety of components is reducible, the number of reducer's mode is augmentable.
3) Sound-absorbable structure, lager surface, big fan reduce temperature and noise, advanced grinding process of cylindrical gear and bevel gear improve stability and transmit power more efficeintly.
4) Input mode:motor connected flange ,shaft input.
5) Output mode: solid shaft with flat key, hollow shaft with flat key, hollow shaft with shrink disk, hollow or solid shaft with involute splines, solid shaft with flange.
6) Mounting mode: Horizontal-mounted, vertical-mounted, swing base-mounted,torque-arm-mounted.
7) H.B series include sizes 3~26, number of stages is 1~4, ratio is 1.25~450, combining with R series and K series, ratio will be higher.
2. Series structure diagram
