1. CHC Type Parallel Shaft (intermediate Input) Reducer structure and transmission principle
CHC gearbox has two important parts, light loading high speed part and multi-geared heavy loading low speed parts. Working Principle,the power inputs and distributes at the high speed part, speed lowered and power compounded output at the multi-geared low speed part, at last gets big ratio and big output torque. See below drawing of the basic structure:
2. Performance characteristics
Compared with the other normal gearboxes, CHC has following properties:
1, Big ratio: i= 50~2250, for non-standard products, ratio can be 2500-20000
2, High loading capacity: standard max. output torque 1160KN.m
3, Over loading capacity: 9~18 pairs of gears mesh at the same time.
4, High loading capacity, good cost performance: max value of loading capacity N.m: gearbox weight kg is 62
5, Smooth and steady transmission, low noise
6,Compact structure, light weight, small size
7, Transmission efficiency 91~95%
8, Long service life: reasonable design, high reliability, no need special maintain
3. the scope of application and available occasions
As a new advanced transmission machine, CHC is widely used in Water Conservancy and Hydropower, Crane Hoist, Metallurgy, Mine, Construction Machinery, Petroleum, Chemical Industry, National Defence Construction, Seaport, Light Industry, and many other industry territory.CHC series products can be equivalent of planetary gearbox, cycloidal gearbox, cylinder gearbox,worm gearbox and 3-ring gearbox models.
CHC gearbox can applicate for the following equipments: winch hoist, crane, elevator, blast furnace hoist, converter, torpedo ladle car, ladle car, molten steel container, tundish car, sintering machine,withdrawal flattening machine, crusher, rotary table feeder, piling machine, marine,over-loaded vehicles......
4. the choice of lubrication method and lubricant
Normally using splash lubrication, natural cooling. According to different work condition and ambient
temperature,lubrication oil can be selected from L-CKC320, L-CKC220, L-CKC 150 with GB/ T5903-1995,
preference to L- CKC220.
Note:1. forced lubrication is used when frame size above 560.
2.New gearbox without any lubrication oil inside.
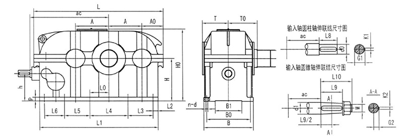
5. Structural features, shaft extension type and assembly type
Structural features and assembly type of reducer
According to installing forms, there're FOOT MOUNTED, TORQUE ARM MOUNTED. According to different spatial position of input and output shafts, there're parall shaft model and vertical shaft model.The basic type of high-speed shaft extension:single side flat key cylindrical shaft input, single side flat key cone shaft input, double side flat key cylindrical shaft input, double side flat cone shaft input. The basic type of low-speed shaft extension: single side flat key solid shaft output, single side involute spline solid shaft output, double side flat key solid shaft output, double side involute splinesolid shaft output, flat key hollow shaft output, involute spline hollow shaft output. Refer the symbol of different installing forms as below drawing.
6. assembly type drawing
1. CHC Type Parallel Shaft (intermediate Input) Reducer structure and transmission principle
CHC gearbox has two important parts, light loading high speed part and multi-geared heavy loading low speed parts. Working Principle,the power inputs and distributes at the high speed part, speed lowered and power compounded output at the multi-geared low speed part, at last gets big ratio and big output torque. See below drawing of the basic structure:
2. Performance characteristics
Compared with the other normal gearboxes, CHC has following properties:
1, Big ratio: i= 50~2250, for non-standard products, ratio can be 2500-20000
2, High loading capacity: standard max. output torque 1160KN.m
3, Over loading capacity: 9~18 pairs of gears mesh at the same time.
4, High loading capacity, good cost performance: max value of loading capacity N.m: gearbox weight kg is 62
5, Smooth and steady transmission, low noise
6,Compact structure, light weight, small size
7, Transmission efficiency 91~95%
8, Long service life: reasonable design, high reliability, no need special maintain
3. the scope of application and available occasions
As a new advanced transmission machine, CHC is widely used in Water Conservancy and Hydropower, Crane Hoist, Metallurgy, Mine, Construction Machinery, Petroleum, Chemical Industry, National Defence Construction, Seaport, Light Industry, and many other industry territory.CHC series products can be equivalent of planetary gearbox, cycloidal gearbox, cylinder gearbox,worm gearbox and 3-ring gearbox models.
CHC gearbox can applicate for the following equipments: winch hoist, crane, elevator, blast furnace hoist, converter, torpedo ladle car, ladle car, molten steel container, tundish car, sintering machine,withdrawal flattening machine, crusher, rotary table feeder, piling machine, marine,over-loaded vehicles......
4. the choice of lubrication method and lubricant
Normally using splash lubrication, natural cooling. According to different work condition and ambient
temperature,lubrication oil can be selected from L-CKC320, L-CKC220, L-CKC 150 with GB/ T5903-1995,
preference to L- CKC220.
Note:1. forced lubrication is used when frame size above 560.
2.New gearbox without any lubrication oil inside.
5. Structural features, shaft extension type and assembly type
Structural features and assembly type of reducer
According to installing forms, there're FOOT MOUNTED, TORQUE ARM MOUNTED. According to different spatial position of input and output shafts, there're parall shaft model and vertical shaft model.The basic type of high-speed shaft extension:single side flat key cylindrical shaft input, single side flat key cone shaft input, double side flat key cylindrical shaft input, double side flat cone shaft input. The basic type of low-speed shaft extension: single side flat key solid shaft output, single side involute spline solid shaft output, double side flat key solid shaft output, double side involute splinesolid shaft output, flat key hollow shaft output, involute spline hollow shaft output. Refer the symbol of different installing forms as below drawing.
6. assembly type drawing
