1. Application range of DZQ series point-line meshing gear reducer
Applicable for the driving gear of mechanical equipment used in hoisting transportation, metallurgy, mine,
chemical industry and light industry.
①.Circumferential speed of gear wheel s16m/s;
②.Rotation speed of high shaft s1000r/min;
③.Operating ambient temperature:-40℃~+45℃;
④.Operable both forwards and backwards.
2. Assembly type
3. Shaft end type
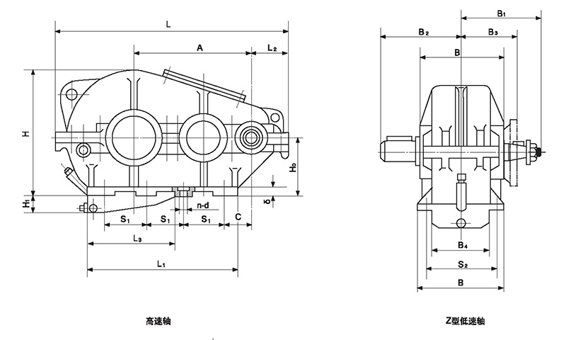
The high-speed shaft end adopts a 1:10 taper shaft extension.
There are three type on low shaft edge:
(1) Cylinder shaft extension,linked by square(Z type)
(2) Gear coupling shaft end (C type)
(3) Floating disc coupling shaft end (F type)
4. shape and installation dimensions
Five, specifications
1. Application range of DZQ series point-line meshing gear reducer
Applicable for the driving gear of mechanical equipment used in hoisting transportation, metallurgy, mine,
chemical industry and light industry.
①.Circumferential speed of gear wheel s16m/s;
②.Rotation speed of high shaft s1000r/min;
③.Operating ambient temperature:-40℃~+45℃;
④.Operable both forwards and backwards.
2. Assembly type
3. Shaft end type
The high-speed shaft end adopts a 1:10 taper shaft extension.
There are three type on low shaft edge:
(1) Cylinder shaft extension,linked by square(Z type)
(2) Gear coupling shaft end (C type)
(3) Floating disc coupling shaft end (F type)
4. shape and installation dimensions
Five, specifications
