1. Product features of FS Foot Hollow Shaft Locking Disk Reducer
Internationally advanced transmission devices, mechatronics geared motors have been widely used in various fields. Relying on strong design power, Taixinglong has introduced a brand-new design concept, based on the modular combination system, and has researched and developed modular combination geared motors.
The module combination allows the reducer to be combined with the following components:
1) Combined with AC squirrel cage motor;
2) Combination with AC squirrel cage flameproof motor;
3) Combine with brake motor;
4) Combine with unidirectional rotating motor;
5) Combine with servo motor;
6) A reducer with an input shaft connection without a motor can be provided, or a reducer with an open input end can be provided, which can be combined by customers at will.
F series parallel shaft helical gear reducer motor. The gears are made of high-quality alloy steel materials, surface hardened, and processed by high-precision equipment. The cast iron box body ensures rigidity and is precisely machined to ensure shape and position accuracy. With strong bearing capacity, long life, small size, Large speed ratio, light weight, high efficiency, low noise and other superior performance.
There are 10 models of F series parallel shaft helical gear motors. It can also be combined with R series helical gear motor to form a multi-stage reduction. Any connection (foot, flange, hollow shaft) and various installation positions can be selected according to user requirements.
F series geared motors are equipped with class F insulation, IP54 protection, 380 volts, 50 Hz three-phase asynchronous motors, suitable for operation under the conditions of ambient temperature -10℃~+40℃ and altitude of 1000m, if the above is exceeded Conditions, please contact our company.
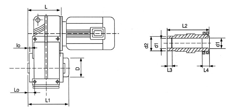
2. Shape and installation dimensions
3. Specifications
1. Product features of FS Foot Hollow Shaft Locking Disk Reducer
Internationally advanced transmission devices, mechatronics geared motors have been widely used in various fields. Relying on strong design power, Taixinglong has introduced a brand-new design concept, based on the modular combination system, and has researched and developed modular combination geared motors.
The module combination allows the reducer to be combined with the following components:
1) Combined with AC squirrel cage motor;
2) Combination with AC squirrel cage flameproof motor;
3) Combine with brake motor;
4) Combine with unidirectional rotating motor;
5) Combine with servo motor;
6) A reducer with an input shaft connection without a motor can be provided, or a reducer with an open input end can be provided, which can be combined by customers at will.
F series parallel shaft helical gear reducer motor. The gears are made of high-quality alloy steel materials, surface hardened, and processed by high-precision equipment. The cast iron box body ensures rigidity and is precisely machined to ensure shape and position accuracy. With strong bearing capacity, long life, small size, Large speed ratio, light weight, high efficiency, low noise and other superior performance.
There are 10 models of F series parallel shaft helical gear motors. It can also be combined with R series helical gear motor to form a multi-stage reduction. Any connection (foot, flange, hollow shaft) and various installation positions can be selected according to user requirements.
F series geared motors are equipped with class F insulation, IP54 protection, 380 volts, 50 Hz three-phase asynchronous motors, suitable for operation under the conditions of ambient temperature -10℃~+40℃ and altitude of 1000m, if the above is exceeded Conditions, please contact our company.
2. Shape and installation dimensions
3. Specifications
