| Availability: | |
|---|---|
| Quantity: | |
Taixinglong
Overview of modular reducer
Internationally advanced transmission devices, mechatronics geared motors have been widely used in various fields. Relying on strong design power, Taixinglong has introduced a brand-new design concept, based on the modular combination system, and has researched and developed modular combination geared motors.
The module combination allows the reducer to be combined with the following components:
1) Combined with AC squirrel cage motor;
2) Combination with AC squirrel cage flameproof motor;
3) Combine with brake motor;
4) Combine with unidirectional rotating motor;
5) Combine with servo motor;
6) A reducer with an input shaft connection without a motor can be provided, or a reducer with an open input end can be provided, which can be combined by customers at will.
Main features:
1. According to customer requirements, high-precision modular design, easy to install;
2. The gear is made of high-quality alloy steel, carburized and quenched, and processed by high-precision equipment;
3. The cast iron box body ensures rigidity and is precisely machined to ensure the shape and position accuracy;
4. Superior performance such as strong carrying capacity, long life, small size, large speed ratio, light weight, high efficiency and low noise;
5. Optimized and designed by adopting internationally advanced transmission machinery model.
Product Description
Features Stable operation, low noise, Small size and light weight, Long service life, strong carrying capacity, Low maintenance cost, Easy to disassemble and install, High efficiency, large torque.
| Main application industries Modular gearbox is widely used Metallurgical equipment, Mining Equipment, Automation equipment, Chemical, light industry and other industries |
Technical Data
Shell material | cast ductile iron |
Shell hardness | |
Gear material | 20CrMnTi/20CrMnMo |
Gear surface hardness | HRC58-62 |
Gear core hardness | HRC33-40 |
Input/output shaft material | 42CrMo |
Input/output shaft hardness | HB260-290 |
Gear machining accuracy | 5-6 grade precision gear grinding |
Lubricant | GB L-CKC220-320 |
Heat treatment | carburizing, quenching, etc. |
Effectiveness | 94%-98% (depending on the transmission stage) |
Noise (maximum) | 60-72 decibels |
Temperature rise (maximum) | 30℃ |
Temperature rise (oil) (maximum) | 40℃ |
Vibration | ≤20μm |
Error | ≤20Arcmin |
Bearing brands | SKF,FAG,NSK |
Oil seal brand | NAK - Taiwan or other brand requirements |
| R series | F series | K series |
Overview of modular reducer
Internationally advanced transmission devices, mechatronics geared motors have been widely used in various fields. Relying on strong design power, Taixinglong has introduced a brand-new design concept, based on the modular combination system, and has researched and developed modular combination geared motors.
The module combination allows the reducer to be combined with the following components:
1) Combined with AC squirrel cage motor;
2) Combination with AC squirrel cage flameproof motor;
3) Combine with brake motor;
4) Combine with unidirectional rotating motor;
5) Combine with servo motor;
6) A reducer with an input shaft connection without a motor can be provided, or a reducer with an open input end can be provided, which can be combined by customers at will.
Main features:
1. According to customer requirements, high-precision modular design, easy to install;
2. The gear is made of high-quality alloy steel, carburized and quenched, and processed by high-precision equipment;
3. The cast iron box body ensures rigidity and is precisely machined to ensure the shape and position accuracy;
4. Superior performance such as strong carrying capacity, long life, small size, large speed ratio, light weight, high efficiency and low noise;
5. Optimized and designed by adopting internationally advanced transmission machinery model.
Product Description
Features Stable operation, low noise, Small size and light weight, Long service life, strong carrying capacity, Low maintenance cost, Easy to disassemble and install, High efficiency, large torque.
| Main application industries Modular gearbox is widely used Metallurgical equipment, Mining Equipment, Automation equipment, Chemical, light industry and other industries |
Technical Data
Shell material | cast ductile iron |
Shell hardness | |
Gear material | 20CrMnTi/20CrMnMo |
Gear surface hardness | HRC58-62 |
Gear core hardness | HRC33-40 |
Input/output shaft material | 42CrMo |
Input/output shaft hardness | HB260-290 |
Gear machining accuracy | 5-6 grade precision gear grinding |
Lubricant | GB L-CKC220-320 |
Heat treatment | carburizing, quenching, etc. |
Effectiveness | 94%-98% (depending on the transmission stage) |
Noise (maximum) | 60-72 decibels |
Temperature rise (maximum) | 30℃ |
Temperature rise (oil) (maximum) | 40℃ |
Vibration | ≤20μm |
Error | ≤20Arcmin |
Bearing brands | SKF,FAG,NSK |
Oil seal brand | NAK - Taiwan or other brand requirements |
| R series | F series | K series |
R series helical gear reducer motor. The gears are made of high-quality alloy steel materials, surface hardened, and processed by high-precision equipment. The cast iron box body ensures rigidity and is precisely machined to ensure shape and position accuracy. It has the advantages of strong carrying capacity, long life, small size, large speed ratio, light weight, high efficiency and low noise.
R series gear reduction motors, two helical gear reduction boxes and motors can be combined into a multi-stage reduction. The output part can also be designed to lengthen the bearing section to form a vortex type reducer. Helical gear motors can be installed horizontally or flanged. In addition to independent applications, R series gear-free gear motors can be mounted with RF flangeless feet.
In addition to the independent application of R series helical gear motors, its RF non-foot flange mounted helical gear motors can also be used with P series parallel shaft helical gear motors, K series helical gear-bevel gear motors, and S series helical gears. -The wire gear worm gear motor is composed of a multi-stage gear motor to obtain a particularly low output speed.
The motor is class F insulation, IP54 protection, 380 volts, 50 Hz three-phase asynchronous motor, suitable for the ambient temperature of -10℃~+40℃ in the weekly picture. It operates at an altitude of 1000m. If the above conditions are exceeded, please contact our company.
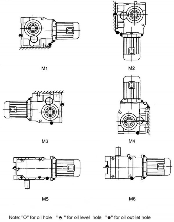
Installation form
Oil level diagram
Type, diagram and characteristics
R series helical gear reducer motor. The gears are made of high-quality alloy steel materials, surface hardened, and processed by high-precision equipment. The cast iron box body ensures rigidity and is precisely machined to ensure shape and position accuracy. It has the advantages of strong carrying capacity, long life, small size, large speed ratio, light weight, high efficiency and low noise.
R series gear reduction motors, two helical gear reduction boxes and motors can be combined into a multi-stage reduction. The output part can also be designed to lengthen the bearing section to form a vortex type reducer. Helical gear motors can be installed horizontally or flanged. In addition to independent applications, R series gear-free gear motors can be mounted with RF flangeless feet.
In addition to the independent application of R series helical gear motors, its RF non-foot flange mounted helical gear motors can also be used with P series parallel shaft helical gear motors, K series helical gear-bevel gear motors, and S series helical gears. -The wire gear worm gear motor is composed of a multi-stage gear motor to obtain a particularly low output speed.
The motor is class F insulation, IP54 protection, 380 volts, 50 Hz three-phase asynchronous motor, suitable for the ambient temperature of -10℃~+40℃ in the weekly picture. It operates at an altitude of 1000m. If the above conditions are exceeded, please contact our company.
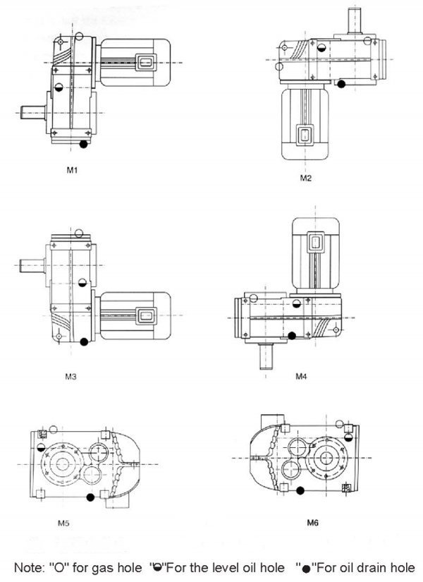
Installation form
Oil level diagram
Type, diagram and characteristics
F series parallel shaft helical gear reducer motor. The gears are made of high-quality alloy steel materials, surface hardened, and processed by high-precision equipment. The cast iron box body ensures rigidity and is precisely machined to ensure shape and position accuracy. It has the advantages of strong carrying capacity, long life, small size, large speed ratio, light weight, high efficiency and low noise.
There are 10 models of F series parallel shaft helical gear motors. It can also be combined with R series helical gear motor to form a multi-stage reduction. Any connection (foot, flange, hollow shaft) and various installation positions can be selected according to user requirements.
F series geared motors are equipped with class F insulation, IP54 protection, 380 volts, 50 Hz three-phase asynchronous motors, suitable for operation under the conditions of ambient temperature -10℃~+40℃ and altitude of 1000m, if the above is exceeded Conditions, please contact our company.
Installation form
Oil level diagram
Type, diagram and characteristics
F series parallel shaft helical gear reducer motor. The gears are made of high-quality alloy steel materials, surface hardened, and processed by high-precision equipment. The cast iron box body ensures rigidity and is precisely machined to ensure shape and position accuracy. It has the advantages of strong carrying capacity, long life, small size, large speed ratio, light weight, high efficiency and low noise.
There are 10 models of F series parallel shaft helical gear motors. It can also be combined with R series helical gear motor to form a multi-stage reduction. Any connection (foot, flange, hollow shaft) and various installation positions can be selected according to user requirements.
F series geared motors are equipped with class F insulation, IP54 protection, 380 volts, 50 Hz three-phase asynchronous motors, suitable for operation under the conditions of ambient temperature -10℃~+40℃ and altitude of 1000m, if the above is exceeded Conditions, please contact our company.
Installation form
Oil level diagram
Type, diagram and characteristics
K series helical gears-bevel gear reducer motor gears are made of high-quality alloy steel materials, surface hardened, and processed by high-precision equipment. The cast iron box body ensures rigidity and is precisely machined to ensure shape and position accuracy. It has the advantages of strong carrying capacity, long life, small size, large speed ratio, light weight, high efficiency and low noise.
There are 12 models of K series helical gear-bevel gear motors. It can also be combined with R series helical gear motor to form a multi-stage reduction.
K series geared motors provide two machined foot planes or connection methods of B5 flange, B14 flange, moment support frame and multiple installation positions. The output types are solid shaft, hollow shaft, spline hollow shaft and hollow Shaft locking disc. Users can choose arbitrarily according to different requirements.
K series geared motors are equipped with class F insulation, IP54 protection, 380 volts, 50 Hz three-phase asynchronous motors, suitable for operation in ambient temperature -10℃~+40℃, altitude 1000m, if the above is exceeded Conditions, please contact our company.
Installation form
Oil level diagram
Type, diagram and characteristics
K series helical gears-bevel gear reducer motor gears are made of high-quality alloy steel materials, surface hardened, and processed by high-precision equipment. The cast iron box body ensures rigidity and is precisely machined to ensure shape and position accuracy. It has the advantages of strong carrying capacity, long life, small size, large speed ratio, light weight, high efficiency and low noise.
There are 12 models of K series helical gear-bevel gear motors. It can also be combined with R series helical gear motor to form a multi-stage reduction.
K series geared motors provide two machined foot planes or connection methods of B5 flange, B14 flange, moment support frame and multiple installation positions. The output types are solid shaft, hollow shaft, spline hollow shaft and hollow Shaft locking disc. Users can choose arbitrarily according to different requirements.
K series geared motors are equipped with class F insulation, IP54 protection, 380 volts, 50 Hz three-phase asynchronous motors, suitable for operation in ambient temperature -10℃~+40℃, altitude 1000m, if the above is exceeded Conditions, please contact our company.
Installation form
Oil level diagram
Type, diagram and characteristics
Main production equipment to guarantee quality!
Processing center, imported high precision equipment
The horizontal machining center
The horizontal machining center imported from Korea adopts fanuc31i system from Japan. With APC and ATC, it can realize the functions of boring, milling, drilling, tapping and automatic detection with high precision and high efficiency.
VMC 1100 vertical machining center
VMC 1100 vertical machining center adopts the Japanese fan oimd operating system, which can realize the functions of three-axis three linkage and 24 cutter automatic exchange, and has the functions of boring, milling, reaming, drilling, tapping and automatic chip removal, with high precision and high efficiency, and the accuracy is above grade 6.
Gear grinding and hobbing equipment workshop
Niles gear grinding machine imported from Germany
Niles gear grinding machine imported from Germany is suitable for gear processing with high quality and high precision. The quality of external teeth can reach grade 3, and the quality of internal teeth can reach grade 4 (according to German dn3962 standard). The structure is compact, high toughness and shock absorption cast iron. The Siemens 840D control system is adopted. It is ergonomically designed, and the machine tool has good accessibility. The operator's standing height is on the floor of the workshop.
Yk7380 CNC high precision gear grinding machine
Yk7380 CNC high precision gear grinding machine has the advantages of simple operation, high precision, high efficiency, high reliability and stability, and high degree of automation. The machine tool is full closed-loop control, with a wide variety of processing objects and flexible gear profile and tooth direction modification.
Hardened teeth, metalworking, heat treatment, box equipment workshop
Production department, equipment department, metalworking workshop, box workshop, heat treatment workshop, assembly workshop, paint workshop, physical and chemical room, measurement room, testing room, with 186 sets of domestic first-class production and testing equipment, continuously introducing foreign advanced technology, professional research and development, production of various types of reducer.
Testing equipment
The company has precision testing equipment to inspect, measure and test reducer products. Effective control, strict control, provide quality products!
Company profile
Jiangsu Taixinglong Reducer Co., Ltd., established in 2002, is a high-tech enterprise integrating technical research and development, industrial production and marketing. It is located in Taixing Science and Technology Industrial Park. Taixinglong covers an area of 32,000 square meters including a building area of 12,800 square meters, has 469 employees including 56 engineering technicians, 16 senior engineers and 3 senior economists, 186 sets of domestic first-class production and inspection equipment, and fixed assets of RMB 76.79 million, realizes an annual output value and sales volume of RMB 600 million, and is a leading company in China reducer industry.
Taixinglong has ISO, CQC certificate, and Taixinglong products have been exported to more than 30 countries in the world including Russia, Pakistan, Egypt, Vietnam, India, Indonesia and so on.
Honors and certificates
China "Qualified Supplier of Water Conservancy Project Hoist"
Member of China Gear Manufacturer Association
China Conveyor and Feeder Branch Member
China Heavy Machinery Industry Association Bridge Crane Branch Member
Production Strength
Cooperative partner
Main production equipment to guarantee quality!
Processing center, imported high precision equipment
The horizontal machining center
The horizontal machining center imported from Korea adopts fanuc31i system from Japan. With APC and ATC, it can realize the functions of boring, milling, drilling, tapping and automatic detection with high precision and high efficiency.
VMC 1100 vertical machining center
VMC 1100 vertical machining center adopts the Japanese fan oimd operating system, which can realize the functions of three-axis three linkage and 24 cutter automatic exchange, and has the functions of boring, milling, reaming, drilling, tapping and automatic chip removal, with high precision and high efficiency, and the accuracy is above grade 6.
Gear grinding and hobbing equipment workshop
Niles gear grinding machine imported from Germany
Niles gear grinding machine imported from Germany is suitable for gear processing with high quality and high precision. The quality of external teeth can reach grade 3, and the quality of internal teeth can reach grade 4 (according to German dn3962 standard). The structure is compact, high toughness and shock absorption cast iron. The Siemens 840D control system is adopted. It is ergonomically designed, and the machine tool has good accessibility. The operator's standing height is on the floor of the workshop.
Yk7380 CNC high precision gear grinding machine
Yk7380 CNC high precision gear grinding machine has the advantages of simple operation, high precision, high efficiency, high reliability and stability, and high degree of automation. The machine tool is full closed-loop control, with a wide variety of processing objects and flexible gear profile and tooth direction modification.
Hardened teeth, metalworking, heat treatment, box equipment workshop
Production department, equipment department, metalworking workshop, box workshop, heat treatment workshop, assembly workshop, paint workshop, physical and chemical room, measurement room, testing room, with 186 sets of domestic first-class production and testing equipment, continuously introducing foreign advanced technology, professional research and development, production of various types of reducer.
Testing equipment
The company has precision testing equipment to inspect, measure and test reducer products. Effective control, strict control, provide quality products!
Company profile
Jiangsu Taixinglong Reducer Co., Ltd., established in 2002, is a high-tech enterprise integrating technical research and development, industrial production and marketing. It is located in Taixing Science and Technology Industrial Park. Taixinglong covers an area of 32,000 square meters including a building area of 12,800 square meters, has 469 employees including 56 engineering technicians, 16 senior engineers and 3 senior economists, 186 sets of domestic first-class production and inspection equipment, and fixed assets of RMB 76.79 million, realizes an annual output value and sales volume of RMB 600 million, and is a leading company in China reducer industry.
Taixinglong has ISO, CQC certificate, and Taixinglong products have been exported to more than 30 countries in the world including Russia, Pakistan, Egypt, Vietnam, India, Indonesia and so on.
Honors and certificates
China "Qualified Supplier of Water Conservancy Project Hoist"
Member of China Gear Manufacturer Association
China Conveyor and Feeder Branch Member
China Heavy Machinery Industry Association Bridge Crane Branch Member
Production Strength
Cooperative partner
