1. Overview of NGW-QJ type planetary gear reducer
The NGw-QJ planetary gear speed reducer is specially designed on the basis of NGw type reducers, they keep characteristics of former NGW standard(JB1799-76). It can also be applied under obliguitous position to transfer radial load. This type machine is mainly used in cement mechanical ball crusher and other similar machines
The following features
(1) Small volume, light weight, high loading capacity, long service life, stable operation and low voice Besides the both edges of axles can sustain larger radial load;
(2) Working environment temperature: -40~45℃;
(3) Imput rotation speed: s1500r/min;
(4) Efficiency: η=0.94~0.96;
(5) Working slope angle: 45°~55°(as showed in picture 3-27);
(6) Forward and reverse Operation;
(7) Service lit no less than 35000-40000h;
(8) Working status continuously;
(9) Lubrication: self-cycle lubricating system is applied.
2. Tech datas and loading capacity
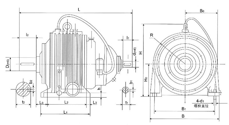
3. Outlook and assembling size
1. Overview of NGW-QJ type planetary gear reducer
The NGw-QJ planetary gear speed reducer is specially designed on the basis of NGw type reducers, they keep characteristics of former NGW standard(JB1799-76). It can also be applied under obliguitous position to transfer radial load. This type machine is mainly used in cement mechanical ball crusher and other similar machines
The following features
(1) Small volume, light weight, high loading capacity, long service life, stable operation and low voice Besides the both edges of axles can sustain larger radial load;
(2) Working environment temperature: -40~45℃;
(3) Imput rotation speed: s1500r/min;
(4) Efficiency: η=0.94~0.96;
(5) Working slope angle: 45°~55°(as showed in picture 3-27);
(6) Forward and reverse Operation;
(7) Service lit no less than 35000-40000h;
(8) Working status continuously;
(9) Lubrication: self-cycle lubricating system is applied.
2. Tech datas and loading capacity
3. Outlook and assembling size
