| Availability: | |
|---|---|
| Quantity: | |
Taixinglong
Overview of TPB series planetary reducer, or called planetary gearbox:
1. The box body is made of ductile iron, which greatly improves the rigidity and impact resistance of the box body.
2. Adopt involute planetary gear transmission, rationally use internal and external gears and power distribution. Therefore, it has the characteristics of light weight, small volume and wide transmission ratio range.
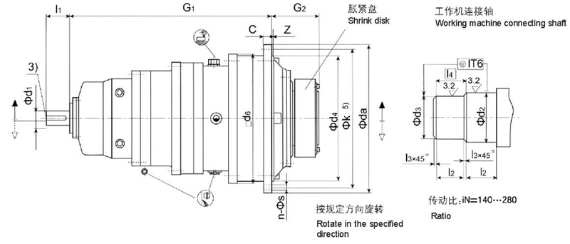
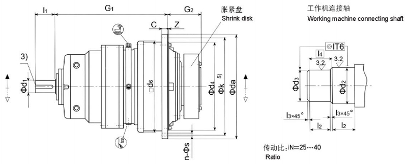
3. Input mode: concentric shaft input, helical gear input, bevel gear-helical gear input, bevel gear input.
4. Output mode: internal spline type, hollow shaft shrink disk type, external spline type, solid flat key.
5. Installation form: horizontal installation, vertical installation, torsion arm installation.
Application of TPB series planetary reducer:
TPB series planetary gear reducer is light in weight, small in volume, wide in transmission ratio range, high in efficiency, stable in operation, and low in noise adaptability. Reducers are widely used in metallurgy, mining, lifting and transportation, electric power, energy, building materials, light industry and transportation and other industrial fields.
Technical Data: | |
Building materials | Cast iron/Nodular cast iron |
Shell hardness | HBS190-240 |
Gear material | 20CrMnTi alloy steel |
Gear surface hardness | HRC58 *〜62。 |
Gear core hardness | HRC33〜40 |
Output shaft material | 42CrMo alloy steel |
Output shaft hardness | HB260-290 |
Gear processing precision | precision grinding, grade 5-6 |
Lubricant | GB L-CKC220-320,Shell 0mala220-320 |
Heat treatment | tempering, carburizing, quenching, etc. |
Effectiveness | 94%〜96% (depending on the transmission stage) |
Noise (maximum) | 60〜68 decibels |
Temperature rise (maximum) | 40°C |
Temperature rise (Oi) (maximum) | 50°C |
Vibration | ≤20um |
Error | ≤20Arcmin |
Bearing brands | SKF,FAG,NSK |
Oil seal brand | NAK - Taiwan or other brand requirements |
Company profile
Jiangsu Taixinglong Reducer Co., Ltd., established in 2002, is a high-tech enterprise integrating technical research and development, industrial production and marketing. It is located in Taixing Science and Technology Industrial Park. Taixinglong covers an area of 32,000 square meters including a building area of 12,800 square meters, has 469 employees including 56 engineering technicians, 16 senior engineers and 3 senior economists, 186 sets of domestic first-class production and inspection equipment, and fixed assets of RMB 76.79 million, realizes an annual output value and sales volume of RMB 600 million, and is a leading company in China reducer industry.
Taixinglong has ISO, CQC certificate, and Taixinglong products have been exported to more than 30 countries in the world including Russia, Pakistan, Egypt, Vietnam, India, Indonesia and so on.
Honors and certificates
China "Qualified Supplier of Water Conservancy Project Hoist"
Member of China Gear Manufacturer Association
China Conveyor and Feeder Branch Member
China Heavy Machinery Industry Association Bridge Crane Branch Member
Quality control
Cooperative partner
Overview of TPB series planetary reducer, or called planetary gearbox:
1. The box body is made of ductile iron, which greatly improves the rigidity and impact resistance of the box body.
2. Adopt involute planetary gear transmission, rationally use internal and external gears and power distribution. Therefore, it has the characteristics of light weight, small volume and wide transmission ratio range.
3. Input mode: concentric shaft input, helical gear input, bevel gear-helical gear input, bevel gear input.
4. Output mode: internal spline type, hollow shaft shrink disk type, external spline type, solid flat key.
5. Installation form: horizontal installation, vertical installation, torsion arm installation.
Application of TPB series planetary reducer:
TPB series planetary gear reducer is light in weight, small in volume, wide in transmission ratio range, high in efficiency, stable in operation, and low in noise adaptability. Reducers are widely used in metallurgy, mining, lifting and transportation, electric power, energy, building materials, light industry and transportation and other industrial fields.
Technical Data: | |
Building materials | Cast iron/Nodular cast iron |
Shell hardness | HBS190-240 |
Gear material | 20CrMnTi alloy steel |
Gear surface hardness | HRC58 *〜62。 |
Gear core hardness | HRC33〜40 |
Output shaft material | 42CrMo alloy steel |
Output shaft hardness | HB260-290 |
Gear processing precision | precision grinding, grade 5-6 |
Lubricant | GB L-CKC220-320,Shell 0mala220-320 |
Heat treatment | tempering, carburizing, quenching, etc. |
Effectiveness | 94%〜96% (depending on the transmission stage) |
Noise (maximum) | 60〜68 decibels |
Temperature rise (maximum) | 40°C |
Temperature rise (Oi) (maximum) | 50°C |
Vibration | ≤20um |
Error | ≤20Arcmin |
Bearing brands | SKF,FAG,NSK |
Oil seal brand | NAK - Taiwan or other brand requirements |
Company profile
Jiangsu Taixinglong Reducer Co., Ltd., established in 2002, is a high-tech enterprise integrating technical research and development, industrial production and marketing. It is located in Taixing Science and Technology Industrial Park. Taixinglong covers an area of 32,000 square meters including a building area of 12,800 square meters, has 469 employees including 56 engineering technicians, 16 senior engineers and 3 senior economists, 186 sets of domestic first-class production and inspection equipment, and fixed assets of RMB 76.79 million, realizes an annual output value and sales volume of RMB 600 million, and is a leading company in China reducer industry.
Taixinglong has ISO, CQC certificate, and Taixinglong products have been exported to more than 30 countries in the world including Russia, Pakistan, Egypt, Vietnam, India, Indonesia and so on.
Honors and certificates
China "Qualified Supplier of Water Conservancy Project Hoist"
Member of China Gear Manufacturer Association
China Conveyor and Feeder Branch Member
China Heavy Machinery Industry Association Bridge Crane Branch Member
Quality control
Cooperative partner
TPB2N - two-stage planetary gear transmission
TPB2L - cross-shaft, two-stage planetary gear transmission
TPB2S - parallel shaft, two-stage planetary gear transmission
TPB2K - cross-shaft, parallel shaft, two-stage planetary gear transmission
TPB3N - three-stage planetary gear transmission
TPB3S - parallel shaft, three-stage planetary gear transmission
TPB3K - cross-shaft, parallel shaft, three-stage planetary gear transmission
TPB2N - two-stage planetary gear transmission
TPB2L - cross-shaft, two-stage planetary gear transmission
TPB2S - parallel shaft, two-stage planetary gear transmission
TPB2K - cross-shaft, parallel shaft, two-stage planetary gear transmission
TPB3N - three-stage planetary gear transmission
TPB3S - parallel shaft, three-stage planetary gear transmission
TPB3K - cross-shaft, parallel shaft, three-stage planetary gear transmission
TPB series output flange hole layout
TPB series output flange hole layout
