1. Overview of QJYD3 foot-mounted reducer
QJYseries reducer is a hard tooth face (carbonized, quenched tooth face) hoist-used reducer developed to meet the requirements of the market both at home and abroad, including 3 major classifications and 12 basic forms.
2. Performance and properties
(1) All gears are made of high quality low-carbon alloy steel and treated with cementite and quenching, gear precision up to Class 6.
(2) High precision, high efficiency, stable driving, low noise, smaller than hardening and tempering gears (QJ series), light weight, high carrying capacity, high reliability.
(3) Welded cabinet structure. Installation method:3-supporting-point and anchor bolt.
(4) Output shaft type:4 type of flat key, involute spline, year shft end and hollow shaft.
(5) Oil sump lubrication is normally used, natural cooling, circulating oil lubrication is used for vertical reducer.
(6) Rolling bearing is used.
3. Application
1、Input rotating speed is usually n1s1500r/min.
2、Working ambient temperature is -40℃ ~+50℃.
3、Both forward and backword operation are available. Suitable for various types of reducer for hoist.
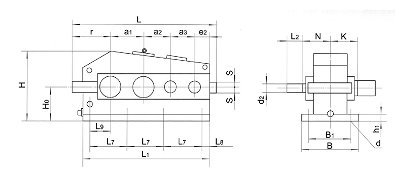
4. shape and installation dimensions
5. specifications
1. Overview of QJYD3 foot-mounted reducer
QJYseries reducer is a hard tooth face (carbonized, quenched tooth face) hoist-used reducer developed to meet the requirements of the market both at home and abroad, including 3 major classifications and 12 basic forms.
2. Performance and properties
(1) All gears are made of high quality low-carbon alloy steel and treated with cementite and quenching, gear precision up to Class 6.
(2) High precision, high efficiency, stable driving, low noise, smaller than hardening and tempering gears (QJ series), light weight, high carrying capacity, high reliability.
(3) Welded cabinet structure. Installation method:3-supporting-point and anchor bolt.
(4) Output shaft type:4 type of flat key, involute spline, year shft end and hollow shaft.
(5) Oil sump lubrication is normally used, natural cooling, circulating oil lubrication is used for vertical reducer.
(6) Rolling bearing is used.
3. Application
1、Input rotating speed is usually n1s1500r/min.
2、Working ambient temperature is -40℃ ~+50℃.
3、Both forward and backword operation are available. Suitable for various types of reducer for hoist.
4. shape and installation dimensions
5. specifications
