| Availability: | |
|---|---|
| Quantity: | |
1. Brief introduction of TXLMC2PE series 2 stage parallel shaft vertical gear reducer for reducer
TAI XING LONG holds the belief of the revitalization of national industry, with the market demanding as the prime mover of product designing, absorbs advanced international experience. we develop out TXLMC, TXLM,TXLCN high efficiency and big loading gear redecers to meet the different requirements.
TXLMC bevel - helical gear reducer is a new compact model, with the advantages of small size, high efficiency, big power, low noise. The body is one-step finished in High Precision Machining Center. The gear is made of high quality low carbon alloy steel. Modularization of the accessories achieves the purpose to affect market quickly.
Good quality products + elaborate selection + reasonable using = high reliability of product. Wish our products make your spiritual enjoyment.
TXLMC series including 02-09, total of 8 frame sizes. Can be horizontal, vertical, erect, output torque is from 5.6KN·m to 64.4KN·m. It's the best choice for the transmission equipment with middle loading capacity.
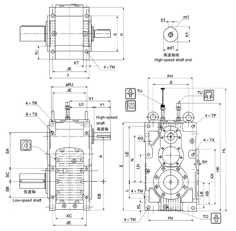
2. Shape and installation dimensions
3. Specifications
1. Brief introduction of TXLMC2PE series 2 stage parallel shaft vertical gear reducer for reducer
TAI XING LONG holds the belief of the revitalization of national industry, with the market demanding as the prime mover of product designing, absorbs advanced international experience. we develop out TXLMC, TXLM,TXLCN high efficiency and big loading gear redecers to meet the different requirements.
TXLMC bevel - helical gear reducer is a new compact model, with the advantages of small size, high efficiency, big power, low noise. The body is one-step finished in High Precision Machining Center. The gear is made of high quality low carbon alloy steel. Modularization of the accessories achieves the purpose to affect market quickly.
Good quality products + elaborate selection + reasonable using = high reliability of product. Wish our products make your spiritual enjoyment.
TXLMC series including 02-09, total of 8 frame sizes. Can be horizontal, vertical, erect, output torque is from 5.6KN·m to 64.4KN·m. It's the best choice for the transmission equipment with middle loading capacity.
2. Shape and installation dimensions
3. Specifications
