loading

Share to:
sharethis sharing button

ZSC(A) type Vertical cylindrical reducer

Availability:
Quantity:

1. Technical parameters of ZSC(A) vertical cylindrical reducer

technical parameter


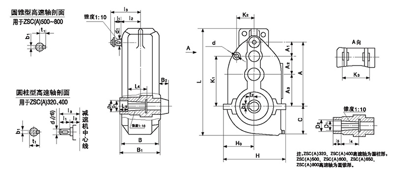
2. Shape and installation dimensions

Shape and installation dimensions

Previous: 
Next: