One,Overview of NBF type gear reducer
The new NGW planetary reducer includes twelve series of NAD, NAZD, NBD, NBZD, NCD, NCZD, NAF, NBF, NCF, NAZF, and NBZF.
It is mainly used in metallurgy, mining, transportation, building, light industry, power and traffic.
The revolving velocity of the high speed shaft is according is various from1500-600rpm.
The circumferential velocity of the gear transmission: cylindrical gear is less than 15m/s, the bevel gear is no more than 20m/s.
The ambient temperature is between -40℃~and 45C℃. If below 0℃, the lubrication oil should be preheated to above 10 before start.
The reducer can operate in forward and reverse directions.
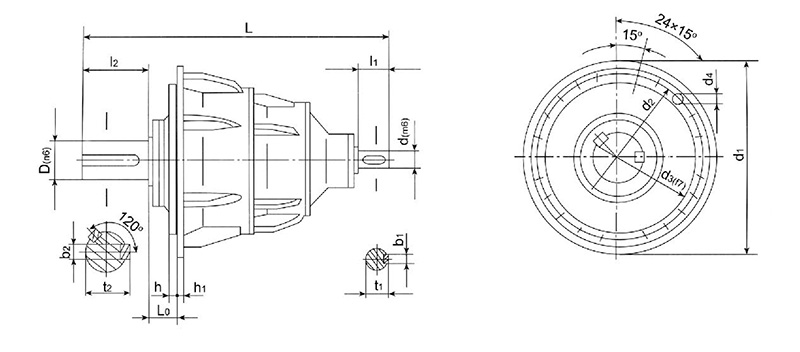
2. Shape and installation dimensions
3. Specifications
One,Overview of NBF type gear reducer
The new NGW planetary reducer includes twelve series of NAD, NAZD, NBD, NBZD, NCD, NCZD, NAF, NBF, NCF, NAZF, and NBZF.
It is mainly used in metallurgy, mining, transportation, building, light industry, power and traffic.
The revolving velocity of the high speed shaft is according is various from1500-600rpm.
The circumferential velocity of the gear transmission: cylindrical gear is less than 15m/s, the bevel gear is no more than 20m/s.
The ambient temperature is between -40℃~and 45C℃. If below 0℃, the lubrication oil should be preheated to above 10 before start.
The reducer can operate in forward and reverse directions.
2. Shape and installation dimensions
3. Specifications
