1. Classification and application scope of QY34D type base Hard Tooth Surface Reducer
QY series reducer includes hard tooth face reducer for type QYS (3-supporting-point) and type QYD (pedestal type) hoists. It has 3-step, 4-step and 3 and 4 combined type, see figure 1 for structural diagram.
This reducer is mainly used for each of related mechanism on the hoist, also for the transmission of mechanical equipment in transportation, metallurgy, mining, chemical industry, and light industry with working condition as follows:
1)Peripheral speed of the gear wheel does not exceed 20m/s;
2)Rotating speed of high speed shaft does not exceed 1500r/min;
3)Working ambient temperature is -40℃~+45℃;
4)Both forward and backward rotation are available.
2. Features:
Based on the working characteristics of each mechanism on the hoist, scope of transmission rate, less specification is used to meet various requirements of the users while improving product performance with the features as follows:
1)Higher carrying capacity. The year wheel is treated with carbonization, quenching, gear grinding to get much higher carrying capacity than soft tooth face and medium hard tooth face reducer treated with hardening, tempering and hobbing;
2)Compact and light-weighted. Compared with soft tooth face and medium hard tooth face declerator, the reducer with the same carrying capacity will have decreased pedestal number by 24 equivalent.
3)Higher efficiency, lower noise, and lower vibration. Gear grinding is introduced to increase grade of precision, and also the brim of gear wheel is trimmed, so the general efficiency of each step of hoist is 0.98,with much lower vibration and noise.
4)Multiple steps are introduced to decrease single step transmission ratio so as to widen the center distance, to decrease the overall height of the reducer is up to 400 to meet the requirement of slow speed hoist.
5)3-supporting-point reducer can be installed vertically, horizontally, or in deflection by certain degrees, with much convenience and flexibility.
6)This series of reducer has 3 and4-step combined type. (i.e., assembly form of 3-step with the transmission ratio of 4-step,providing the precondition for generalizing slow speed hoist.
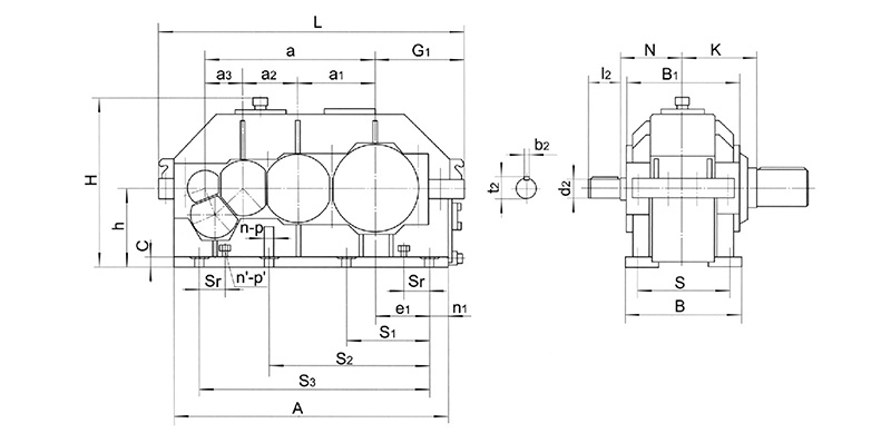
3. Shape and installation dimensions
4. specifications
1. Classification and application scope of QY34D type base Hard Tooth Surface Reducer
QY series reducer includes hard tooth face reducer for type QYS (3-supporting-point) and type QYD (pedestal type) hoists. It has 3-step, 4-step and 3 and 4 combined type, see figure 1 for structural diagram.
This reducer is mainly used for each of related mechanism on the hoist, also for the transmission of mechanical equipment in transportation, metallurgy, mining, chemical industry, and light industry with working condition as follows:
1)Peripheral speed of the gear wheel does not exceed 20m/s;
2)Rotating speed of high speed shaft does not exceed 1500r/min;
3)Working ambient temperature is -40℃~+45℃;
4)Both forward and backward rotation are available.
2. Features:
Based on the working characteristics of each mechanism on the hoist, scope of transmission rate, less specification is used to meet various requirements of the users while improving product performance with the features as follows:
1)Higher carrying capacity. The year wheel is treated with carbonization, quenching, gear grinding to get much higher carrying capacity than soft tooth face and medium hard tooth face reducer treated with hardening, tempering and hobbing;
2)Compact and light-weighted. Compared with soft tooth face and medium hard tooth face declerator, the reducer with the same carrying capacity will have decreased pedestal number by 24 equivalent.
3)Higher efficiency, lower noise, and lower vibration. Gear grinding is introduced to increase grade of precision, and also the brim of gear wheel is trimmed, so the general efficiency of each step of hoist is 0.98,with much lower vibration and noise.
4)Multiple steps are introduced to decrease single step transmission ratio so as to widen the center distance, to decrease the overall height of the reducer is up to 400 to meet the requirement of slow speed hoist.
5)3-supporting-point reducer can be installed vertically, horizontally, or in deflection by certain degrees, with much convenience and flexibility.
6)This series of reducer has 3 and4-step combined type. (i.e., assembly form of 3-step with the transmission ratio of 4-step,providing the precondition for generalizing slow speed hoist.
3. Shape and installation dimensions
4. specifications
