| Availability: | |
|---|---|
| Quantity: | |
1. Product features of KFH French orchid key hollow shaft helical gear-bevel gear reducer
Internationally advanced transmission devices, mechatronics geared motors have been widely used in various fields. Relying on strong design power, Taixinglong has introduced a brand-new design concept, and has researched and developed a modular combined reduction motor based on a modular combination system.
The module combination allows the reducer to be combined with the following components:
1) Combined with AC squirrel cage motor;
2) Combination with AC squirrel cage flameproof motor;
3) Combine with brake motor;
4) Combination with unidirectional rotating motor;
5) Combine with servo motor;
6) A reducer with an input shaft connection without a motor can be provided, or a reducer with an open input end can be provided, which can be combined by customers at will.
K series helical gears-bevel gear reducer motor gears are made of high-quality alloy steel materials, surface hardened, and processed by high-precision equipment. The cast iron box body ensures rigidity and is precisely machined to ensure shape and position accuracy. With strong carrying capacity, long life and volumeSmall, large speed ratio, light weight, high efficiency, low noise and other superior performance.
There are 12 models of K series helical gear-bevel gear motors. It can also be combined with R series helical gear motor to form a multi-stage reduction.
K series geared motors provide two machined foot planes or connection methods of B5 flange, B14 flange, moment support frame and multiple installation positions. The output types are solid shaft, hollow shaft, spline hollow shaft and hollow Shaft locking disc. Users can choose according to different requirementsselect.
K series geared motors are equipped with class F insulation, IP54 protection, 380 volts, 50 Hz three-phase asynchronous motors, suitable for operation in ambient temperature -10℃~+40℃, altitude 1000m, if the above is exceeded Conditions, please contact our company.
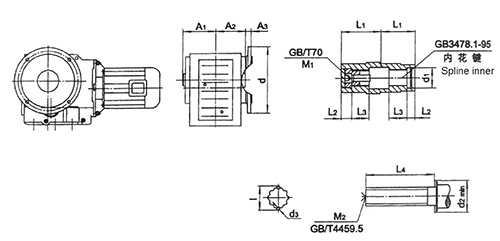
2. Shape and installation dimensions
3. Specifications
1. Product features of KFH French orchid key hollow shaft helical gear-bevel gear reducer
Internationally advanced transmission devices, mechatronics geared motors have been widely used in various fields. Relying on strong design power, Taixinglong has introduced a brand-new design concept, and has researched and developed a modular combined reduction motor based on a modular combination system.
The module combination allows the reducer to be combined with the following components:
1) Combined with AC squirrel cage motor;
2) Combination with AC squirrel cage flameproof motor;
3) Combine with brake motor;
4) Combination with unidirectional rotating motor;
5) Combine with servo motor;
6) A reducer with an input shaft connection without a motor can be provided, or a reducer with an open input end can be provided, which can be combined by customers at will.
K series helical gears-bevel gear reducer motor gears are made of high-quality alloy steel materials, surface hardened, and processed by high-precision equipment. The cast iron box body ensures rigidity and is precisely machined to ensure shape and position accuracy. With strong carrying capacity, long life and volumeSmall, large speed ratio, light weight, high efficiency, low noise and other superior performance.
There are 12 models of K series helical gear-bevel gear motors. It can also be combined with R series helical gear motor to form a multi-stage reduction.
K series geared motors provide two machined foot planes or connection methods of B5 flange, B14 flange, moment support frame and multiple installation positions. The output types are solid shaft, hollow shaft, spline hollow shaft and hollow Shaft locking disc. Users can choose according to different requirementsselect.
K series geared motors are equipped with class F insulation, IP54 protection, 380 volts, 50 Hz three-phase asynchronous motors, suitable for operation in ambient temperature -10℃~+40℃, altitude 1000m, if the above is exceeded Conditions, please contact our company.
2. Shape and installation dimensions
3. Specifications
